Was ist eine halbautomatische Kunststoff-Spritzgussmaschine?
Eine halbautomatische Spritzgussmaschine ist eine Art Gerät zur Herstellung von Kunststoffformprodukten, das neben automatisierten Prozessen auch manuelle Eingriffe erfordert. Diese Maschinen können für eine Vielzahl von Formanwendungen verwendet werden und eignen sich für kleine bis mittlere Produktionsläufe. Der automatisierte Teil des Prozesses umfasst normalerweise das Einspritzen des Materials in die Form und das Auswerfen des fertigen Produkts. Halbautomatische Spritzgussmaschinen verbrauchen im Allgemeinen weniger Energie als vollautomatische Maschinen, was zu Kosteneinsparungen und Energieeffizienz beiträgt.
Die Hauptmerkmale der halbautomatischen Kunststoff-Spritzgussmaschine
Automatisierte Injektion
Die Maschine spritzt das geschmolzene Kunststoffmaterial automatisch in eine Formhöhle und wird dabei von einem elektronischen Steuersystem gesteuert.
01
Manuelles Öffnen/Schließen der Form
Der Bediener öffnet und schließt die Form manuell, im Gegensatz zu vollautomatischen Maschinen, die diesen Vorgang automatisch durchführen.
02
Manuelle Teileentnahme
Nach jedem Zyklus entnimmt der Bediener das Formteil manuell aus der Form.
03
Zyklusstart
Der Maschinenzyklus wird normalerweise nicht vollautomatisch eingeleitet, sondern erfolgt durch den Bediener per Knopfdruck oder Fußpedal.
04
Reduzierte Komplexität
Halbautomatische Maschinen sind im Allgemeinen weniger komplex und kostengünstiger als vollautomatische Spritzgusssysteme und werden daher häufig für die Produktion kleinerer Mengen oder die Prototypenherstellung verwendet.
05
Besonderheit
1. Flexibilität.
2. Geltungsbereich.
3. Kosteneffizienz.
4. Effizienz.
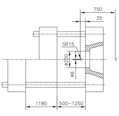
Plattenabmessungen


Maschinenabmessungen


Eine halbautomatische Spritzgussmaschine ist ein Gerät, das geschmolzenen Kunststoff durch eine Spritze in eine Form spritzt, um Kunststoffprodukte herzustellen. Halbautomatische Spritzgussmaschinen haben die Vorteile einer einfachen Bedienung und hohen Effizienz und werden im Bereich der Kunststoffproduktherstellung häufig eingesetzt.
Betriebsprozess einer halbautomatischen Kunststoff-Spritzgussmaschine
1. Starten Sie die Spritzgussmaschine: Starten Sie die Spritzgussmaschine gemäß den Betriebsschritten der Spritzgussmaschine.
2. Aufheizen: Warten Sie, bis die Spritzgussmaschine auf die vorgegebene Temperatur aufgeheizt ist.
3. Material hinzufügen: Geben Sie die vorbereiteten Rohstoffe in den Trichter der Spritzgussmaschine.
4. Form schließen: Drücken Sie die Formschließtaste, um die Form der Spritzgussmaschine zu schließen und mit dem Spritzgießen zu beginnen.
5. Spritzguss: Die Spritzgussmaschine beginnt mit dem Druckaufbau und spritzt die geschmolzenen Kunststoffpartikel in die Form.
6. Druckhaltung: Halten Sie einen bestimmten Druck aufrecht, damit das Produkt aushärten kann.
7. Formentnahme: Die Spritzgussmaschine öffnet die Form und entnimmt das geformte Produkt.
8. Sprühwasserkühlung: Kühlen Sie das Produkt mit kaltem Wasser.
9. Drahtziehen: Verwenden Sie eine Drahtziehmaschine, um Grate oder Abfall vom Produkt zu entfernen.
10. Bereiten Sie sich auf die nächste Produktionsrunde vor: Wiederholen Sie die obigen Schritte.
Wartung Halbautomatische Kunststoff-Spritzgussmaschine
Leeren Sie den Luftfilter
Dank des Luftfilters außerhalb des Tanks kann bei Ölstandsänderungen leicht Luft in den Tank ein- und austreten. Bei jedem Ölwechsel und jeder Wartung muss der Luftfilter ausgebaut, mit Kerosin gereinigt und mit einer Druckluftpistole getrocknet werden. Wenn der Tank nicht gereinigt wird, kann Schmutz in den Kraftstofftank gelangen und das Öl verunreinigen.
Reinigung des Hydraulikölfilters
Der Ölfilter ist für die Reinigung des Hydrauliköls zuständig. Um die Ölansaugleitung sauber zu halten, muss der Ölfilter alle drei Monate gereinigt werden. Überprüfen Sie dabei auch das Ölfilternetz auf Beschädigungen.
Waschen Sie die Außen- und Innenwände des Öl-Wasser-Kühlers
Im Allgemeinen muss der Hydraulikölkühler einmal im Jahr gereinigt werden. Die Reinigungshäufigkeit kann jedoch je nach Leistung und Betriebsbedingungen des Kühlers geändert werden. Die Kühlleistung beider Kühler wird durch Ablagerungen oder Verstopfungen im Inneren beeinträchtigt, daher muss das Kühlwasser rein sein.
Beliebte label: halbautomatische Kunststoff-Spritzgussmaschine, China halbautomatische Kunststoff-Spritzgussmaschine Hersteller, Lieferanten, Fabrik, Injektionsformmaschine für kaltbeständige Verpackungen, elektrische Injektionsformmaschine, Injektionsformmaschine zur Injektionsblasformpackung, Servo -Injektionsformmaschine, Injektionsformmaschine mit Einzelklaven, Injektionsformmaschine für Pulvereinspritzgussverpackungen








